Principais recursos
| ● Faixa de frequência operacional de 45 a 1000 MHz |
| ● Ganho máximo de 33 dB |
| ● Baixo ruído: Corrente de ruído de entrada equivalente a 3,5 pA / √Hz (EINC) |
| ● Linearidade: -68 dBc CSO e -70 dBc CTB em saída RF de +78dBuV por canal (60 canais PAL-D DS22) |
| ● Alta faixa de ganho dinâmico, faixa de controle de ganho de 32dB |
| ● Baixo consumo de energia, 210mA para uma saída de RF com tensão de alimentação de 5V |
|
● Tensão de controle AGC de 0-3V |
|
● Suporta fonte única de faixa óptica de -10dBm a +2dBm |
|
● Baixo consumo de energia, 110mA para uma saída de RF com tensão de alimentação de 12V |
|
● Pacote QFN4X4-24L sem chumbo/compatível com RoHS |
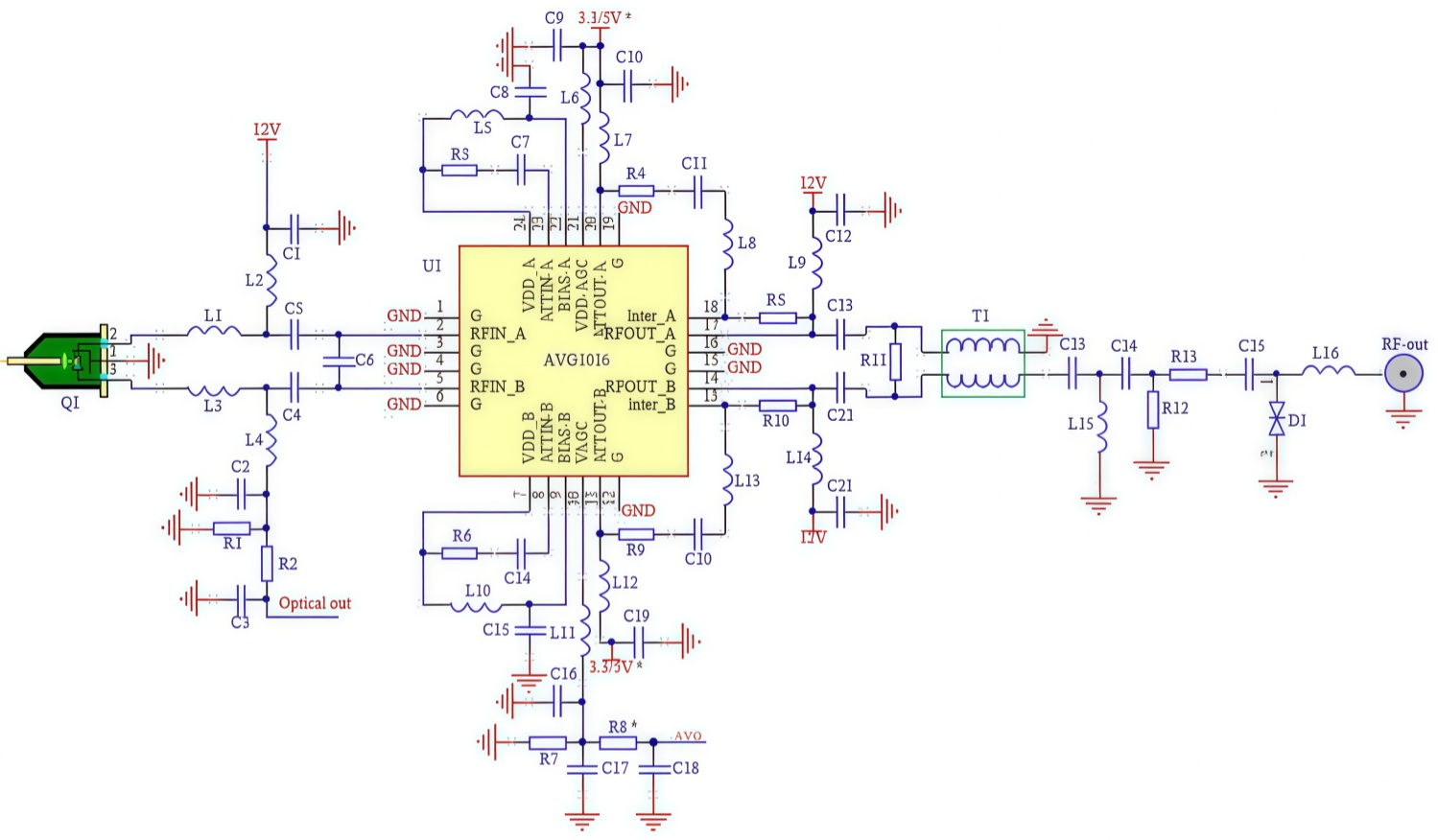
Amplificador de Ganho Variável AVG1016
O AVG1016 da Sanland é um amplificador de ganho variável com Atenuador controlado por tensão. O amplificador tem alta linearidade e baixo ruído alcançados usando o 0,5um Processo GaAs E-PHEMT. Está alojado em uma miniatura 4,0 x Pacote Quad-Flat-Non-Lead (QFN) de 4,0 mm e 24 pinos. Isso é projetado para uso ideal de 45 MHz a 1000 MHz. O tamanho compacto e o perfil baixo, juntamente com a alta ganho e alta linearidade tornam o AVG1018 uma escolha ideal como amplificador para rede CATV e rede FTTH.

| Tipo | A jusante |
| Frequência mínima (GHz) | 0,05 |
| Frequência máxima (GHz) | 1,0 |
| Ganho (dB) | 32dB |
| CSO(dBc) | -68 |
| CTB(dBc) | -70 |
| NF(dB) | 1,5 |
| Tensão (V) | 12V |
| Corrente (mA) | 110 |
| Tipo de pacote | QFN |
| RoHS | Sim |
| Sem chumbo | Sim |
| Livre de halogênio | Sim ou Não |
